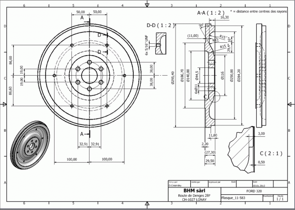
Etablissement de plan de fabrication
Notre logiciel CAO nous permet de produire les dessins de fabrication et de montage nécessaire pour l'usinage ainsi que pour l'assemblage.
Cet outil nous permet de créer une base de dessins qui facilite grandement la répétition de fabrication de pièces dont les plans sont inexistants au départ, ceci typiquement pour la réparation.


